Peter Orndoff. Physicist. Builder.

Oregon State physics graduate whose interests span AI dev, cosmology, tech, mechanics, and generally being as curious as possible.

01 / In Development

Engrad

Persistent memory layer for AI agents and cross-session continuity.

02 / Electromechanical
Restored

1982 Datsun 280ZX Electromechanical Restoration

Vehicle-level restoration of a non-running 1982 Datsun 280ZX to full driving condition. Diagnosed integrated electrical, fuel injection, ECU-controlled sensor, vacuum, cooling, and drivability issues using factory wiring schematics, multimeter testing, and first-principles troubleshooting.

Wire harnesses Sensors Multimeter Fault isolation ECU diagnostics
03 / Electronics
In Development

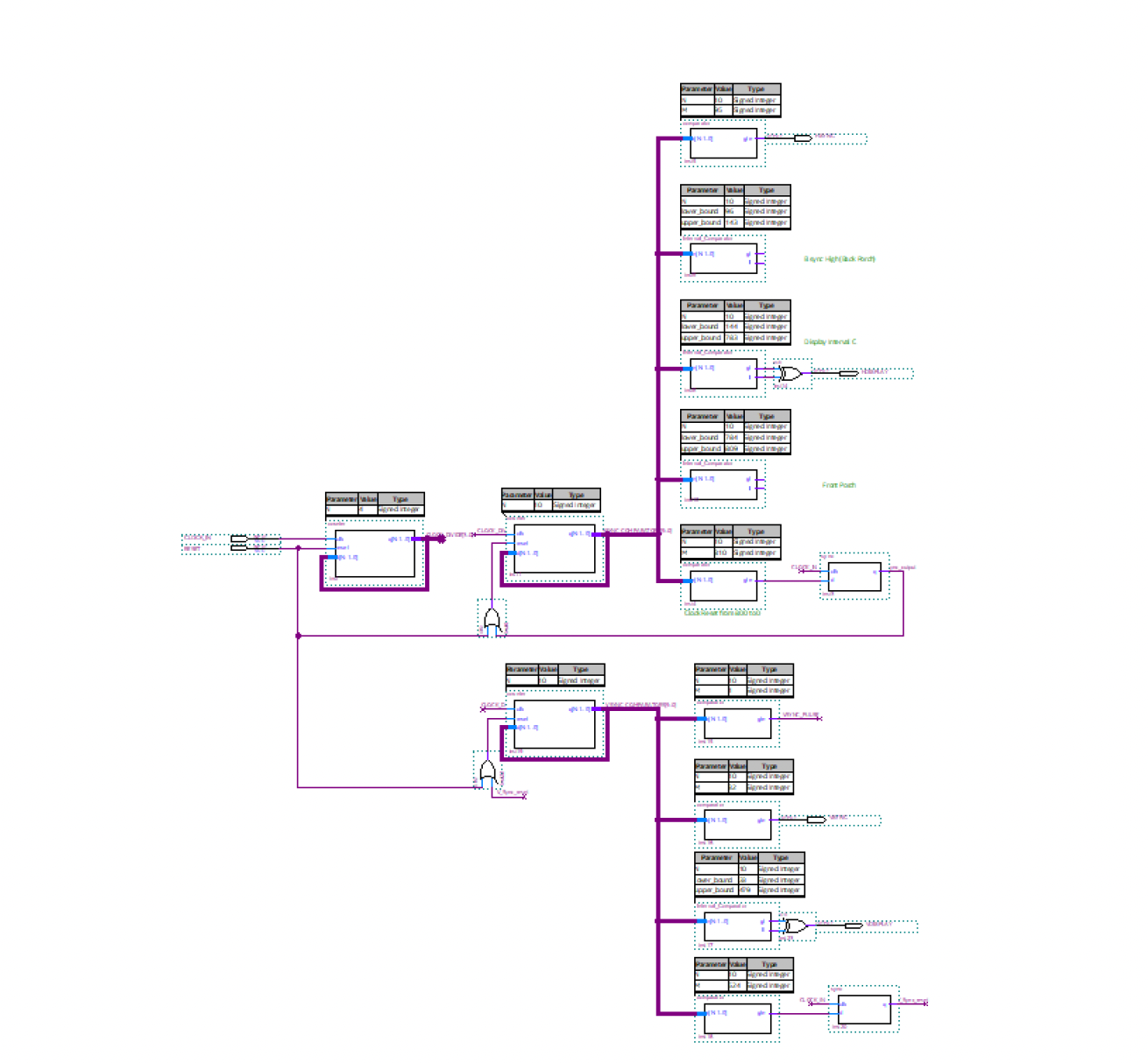
FPGA & Electronics Projects

SystemVerilog and electronics work using a DE10-Lite FPGA, including VGA timing logic, horizontal/vertical sync generation, RGB control circuitry. Currently tinkering with controlling an OLED display with FPGA logic.

SystemVerilog FPGA VGA OLED Bench testing
02 / Research
Complete

Moriarty

Modeled supermassive binary black holes as tracers of the underlying cosmological dark matter distribution. Written from the ground up in Python, using CLASS and ΛCDM cosmology to create dark matter distribution realizations for SMBHB placement.

Python CLASS
03 / Production
Live

Basalt Logic

Multi-tenant AI voice agent platform for local service businesses. Captures missed calls, qualifies leads conversationally, and delivers structured summaries in real time. Webhook-driven async pipeline with HMAC auth and idempotent state transitions.

FastAPI Retell AI PostgreSQL Twilio Stripe
04 / Research

gw_sky

Visualization framework for the gravitational wave background from supermassive binary black hole systems, as observed by Pulsar Timing Arrays. Presented at IPTA 2024.

Python NumPy PTA Analysis Healpy
05 / Infrastructure
Deployed

GPU-Accelerated HPC Cluster

Designed and deployed a GPU cluster for the HazGrav research group at Oregon State. Linux environments, conda dependency management, and Ray-based distributed workflows for parallelized cosmological simulations.

Linux Ray CUDA conda

Background.

I graduated from Oregon State in 2024 with a B.S. in Physics and a minor in computer science and mathematics.

My work now sits at the intersection of physics, software, and physical systems. I tinker with AI tools, but I also like physical electronics: sensors, diagnostics, test equipment, mechanical systems, and electromechanical systems. The common thread is system behavior. Whether I am debugging an AI memory layer, modeling cosmological structure, deploying a GPU cluster, or restoring a vehicle-level electrical system, I like understanding how systems work.

Conference presentations and workshops
  • 2024IPTA ConferenceSexton Center for Astrophysics, Italy
  • 2024IPTA Computational WorkshopMilano-Bicocca University, Italy
  • 2023NANOGrav ConferenceUniversity of British Columbia, Canada
  • Spring 2022NANOGrav Computational WorkshopOregon State University
  • 2023Establishing Multimessenger Astronomy Interdisciplinary TrainingVanderbilt University
2024
B.S. Physics
Oregon State
05×
Conferences
& workshops

Contact Me.

Tweaks